全国统一服务热线
400-610-6025
首 页
九游(中国)
公司概况
证书荣誉
组织结构
业务范围
业绩案例
工艺材料
行业动态
资料下载
九游(中国)
当前位置:
首页
>
图集
>
商业楼加层改造项目案例
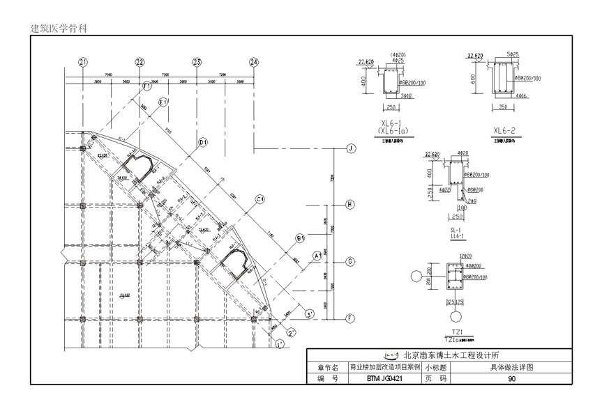
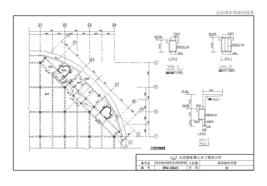
商业楼加层改造项目案例
版权所有:九游官方网页版
邮箱:jiagu@bodongbo.com
传真:010-64403408
电话:400-610-6025 800-810-6025 010-64403428
地址:北京市朝阳区北苑东路19号院2号楼1206室(中国铁建广场C座)
京ICP备2022035419号-1
MK体育(中国)国际平台
|
安博·体育(中国)官方网站
|
九游体育·官方网站
|
乐竞在线平台(中国)官网
|
开云手机登录中心_开云online(中国)
|
MKSPORTS体育
|
开云手机web版登录入口
|
乐鱼网页版登录入口
|
九游会在线登录官网
|